聯系我們
座機:027-87580888
手機:18971233215
傳真:027-87580883
郵箱:didareneng@163.com
地址: 武漢市洪山區魯磨路388號中國地質大學校內(武漢)
海外地區赫伯地熱電站
文章來源:地大熱能 發布作者:地大熱能 發表時間:2021-10-25 09:55:04瀏覽次數:4388
1.地理位置
2.地質背景
赫伯地熱田坐落在英皮里爾峽谷(Imperial Valley)中,Imperial Valley與Coachella Valley共同構成索爾頓海槽(Salton Trough),又稱為“卡惠拉盆地”- Cahuilla Basin)。索爾頓海槽處在東太平洋洋中脊板緣高溫地熱帶上,是加州灣構造槽地向北往陸地的延伸部分。在兩國邊界附近沿槽地軸部,基底埋深約6千米。
赫伯地熱田所處地層主要為15~30%的孔隙度的晚侏羅世的砂巖, 地熱田的蓋層為頁巖,厚度約600米,頁巖以下為熱儲層,熱儲巖性為頁巖和砂巖呈互層狀,厚度約為2400-3000米,而且頁巖所在的深度越深頁巖就越薄。熱流體溫度為195℃,1.2km的儲層出流處地熱流體溫度為175~188℃。
3.地熱電站發展歷史
1980年代,美國能源署(Department of Energy-DOE)具體參與到與企業公司共同開發地熱的商業投資中,選定赫伯作為雙循環方式的地熱發電的商業項目。由于與臨近的地熱電廠在地熱流體的產出上有相互干擾、以及設備與井的腐蝕問題未很好的解決等問題此項目的嘗試未能像預期的那樣順利,以至于在后來項目的主要運營企業決定終止這個項目的進行。
1992年,根據先前的項目奠定的基礎,采用的模塊化的小機組的集合解決了生產的規模化要求。開展了雙循環商業規模發電的第二次工程建設,最終成功運行。
4.地面發電系統
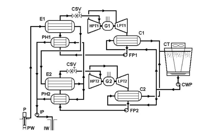
赫伯地熱發電是商業規模的雙循環發電,采用的模塊化的小機組的集合解決了生產的規模化要求項目建成后,滿發48MW。工藝流程圖如下發電原理圖。
發電工作過程:把地熱水壓入熱交換器 ,使熱交換器的90%異丁烷和10%異戊烷組成的工質蒸發驅動汽輪機進行發電。用這種方式發 電時地熱水不接觸汽輪機葉片,可減少直接沖洗中出現的腐蝕問題。但熱交換器和工質凝縮器都必須用鐵素體不銹鋼做成。該發電廠于1985年初開始供應180℃的地熱水,速度為每小時270噸,逐步達到實用水平。
赫伯(Heber)位于在美國加州富饒的英皮里爾谷中,人口3000左右,當地居民以農業和畜牧業為生。帝王谷(Imperial Valley)東部邊界為科羅拉多河(Colorado River)/Chocolate山脈,西部邊界的一部分為索爾頓湖(Salton Sea)/Santa Rosa山脈和Coyote山脈,向南10km為美國-墨西哥邊境,北部與科切拉谷(Coachella Valley)相接。
2.地質背景
赫伯地熱田坐落在英皮里爾峽谷(Imperial Valley)中,Imperial Valley與Coachella Valley共同構成索爾頓海槽(Salton Trough),又稱為“卡惠拉盆地”- Cahuilla Basin)。索爾頓海槽處在東太平洋洋中脊板緣高溫地熱帶上,是加州灣構造槽地向北往陸地的延伸部分。在兩國邊界附近沿槽地軸部,基底埋深約6千米。
赫伯地熱田所處地層主要為15~30%的孔隙度的晚侏羅世的砂巖, 地熱田的蓋層為頁巖,厚度約600米,頁巖以下為熱儲層,熱儲巖性為頁巖和砂巖呈互層狀,厚度約為2400-3000米,而且頁巖所在的深度越深頁巖就越薄。熱流體溫度為195℃,1.2km的儲層出流處地熱流體溫度為175~188℃。
赫伯地區地形圖
3.地熱電站發展歷史
1980年代,美國能源署(Department of Energy-DOE)具體參與到與企業公司共同開發地熱的商業投資中,選定赫伯作為雙循環方式的地熱發電的商業項目。由于與臨近的地熱電廠在地熱流體的產出上有相互干擾、以及設備與井的腐蝕問題未很好的解決等問題此項目的嘗試未能像預期的那樣順利,以至于在后來項目的主要運營企業決定終止這個項目的進行。
1992年,根據先前的項目奠定的基礎,采用的模塊化的小機組的集合解決了生產的規模化要求。開展了雙循環商業規模發電的第二次工程建設,最終成功運行。
4.地面發電系統
赫伯地熱發電是商業規模的雙循環發電,采用的模塊化的小機組的集合解決了生產的規模化要求項目建成后,滿發48MW。工藝流程圖如下發電原理圖。
發電工作過程:把地熱水壓入熱交換器 ,使熱交換器的90%異丁烷和10%異戊烷組成的工質蒸發驅動汽輪機進行發電。用這種方式發 電時地熱水不接觸汽輪機葉片,可減少直接沖洗中出現的腐蝕問題。但熱交換器和工質凝縮器都必須用鐵素體不銹鋼做成。該發電廠于1985年初開始供應180℃的地熱水,速度為每小時270噸,逐步達到實用水平。
赫伯地熱發電站俯視圖

上一篇 > 地大熱能啟動東歐地熱發電項目
下一篇 > 肯尼亞地熱發電項目








